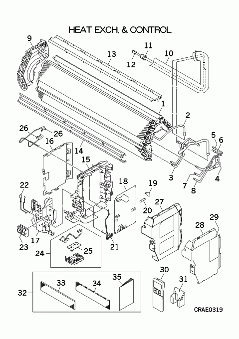
SRK50ZS-S/E HEAT EXCH. AND CONTROL

SRK50ZS-S/E HEAT EXCH. AND CONTROL

Parts List

Key:
Instock.
Nilstock.
Contact MRE.

Check the parts position number [ ] matching with the drawing. Login to view prices.

[1-14] Contact
RLF301A102
HEAT EXCH ASSY(AIR
Contact
[2] Contact
RLF321A015
PIPE
Contact
[3] Contact
RLF315D100
HEADER ASSY
Contact
Notes: !
[4] Contact
RKX315A003
DISTRIBUTOR¯¿½
Contact
Notes: !, !¯¿½
[4-8] Contact
RLF315A100
DISTRIBUTOR ASSY
Contact
[5] Contact
RLF315B001
CAPILLARY
Contact
Notes: !D2.8XD4.0 L100
[6] Contact
RLF315B002
CAPILLARY
Contact
Notes: !D2.8XD4.0 L100
[7] Contact
RLF321A016
PIPE ASSY
Contact
Notes: !D2.8XD4.0 L100
[8] Contact
RLF321A017
PIPE ASSY
Contact
Notes: !D2.8XD4.0 L100
[9] Contact
RLF129A119
BRACKET ASSY(L)
Contact
Notes: !
[10-12] Contact
RLF321A001A
PIPE ASSY
Contact
[11] In Stock
SSA323F088B
UNION(SLD)¯¿½
Notes: FOR GAS, FOR GAS¯¿½/ LENGTH 3.2CM Show Image
SSA323F088B
[12] In Stock
SSA323F088A
UNION(SLD)¯¿½
Notes: FOR LIQ., FOR LIQ.¯¿½/ LENGTH 2.3CM Show Image
SSA323F088A
[13] In Stock
RLF129A105
PLATE,BAFFLE
[14] In Stock
RLF129A106
SEAL
[15] In Stock
RLF142A101
BOX,CONTROL
[15-16] In Stock
RLF142A100
BOX ASSY CONTROL
Notes: ! Show Image
RLF142A100
[16] In Stock
RLF132A100
COVER,CONTROL
[17] Contact
RLF129A107
COVER,BEND
Contact
[18-20] Contact
RLF505A102C
PWB ASSY
Contact
[19] In Stock
SSA555B050C
VARISTOR
Notes: Z1 Show Image
SSA555B050C
[20] In Stock
SSA564A132
FUSE(CURRENT)¯¿½
Notes: F1 3.15A, 3.15A Show Image
SSA564A132
[21] Out of Stock
SSA551A223P
SENSOR ASSY
Substitute: SSA551A223AF Notes: INCL.SENSOR(ROOM TEMP.& HEAT EXCH.), 1x Room temp sensor, 2x Heat Exchanger sensors Show Image
SSA551A223P
[22] In Stock
SSA551B017C
SENSOR(HUMIDITY)
Notes: HUMIDITY SENSOR Show Image
SSA551B017C
[23] In Stock
SSA561B702B
BLOCK,TERMINAL
Notes: TB1, T2 Show Image
SSA561B702B
[24] In Stock
RLF503A100
PWB, DISPLAY ASSY
Notes: COMES WITH HARNESS AND CASING Show Image
RLF503A100
[25] In Stock
RLF505A101
PWB, DISPLAY
Notes: BOARD ONLY - DOES NOT INCLUDE HARNESS - FOR HARNESS AND RECEVER = RLF503A100 Show Image
RLF505A101
[26] Out of Stock
RKJ941F001
SPRING LEAF
Substitute: PSA941F001 Show Image
RKJ941F001
[27] In Stock
RLF132A104
LID,CONTROL
[27-29] Contact
RLF142A103
LID ASSY,CONTROL
Contact
Notes: !
[28] In Stock
RLF142A105
LID,CONTROL
[29] Contact
RLF011G100A
LABEL,WIRING
Contact
Notes: !
[30] Out of Stock
RLA502A720
REMOTE CONTROL
Substitute: RLA502A730L Notes: REMOTE CONTROL HOLDER IS PART NUMBER RLA032A700. Does not come with holder.
[31] In Stock
RLA032A700
HOLDER(REMO-CON)
Notes: Holder/Cradle for Remote control Show Image
RLA032A700
[32] Contact
RLF008A100F
PARTS,STANDARD
Contact
Notes: !
[33] In Stock
RKT437A005
FILTER,CLEAN
Notes: PHOTO-CATALYTIC / DEODORIZING FILTER - triangular honeycomb shape
[34] In Stock
RKT437A801D
FILTER,CLEAN(BIO)
Notes: ALLERGEN FILTER Show Image
RKT437A801D
[35] Contact
RLF012A102B
MANUAL,INSTRUCTION
Contact
Notes: !
[36] Contact
RMA011F090H
LABEL,MODEL NAME
Contact
Notes: !
SKU: SRK50ZS-S/E HEAT EXCH. AND CONTROL Category:
0
    0
    Your Cart
    Your cart is empty
      Calculate Shipping