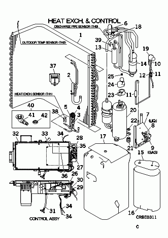
SRC71ZK-S/C HEAT EXCH. AND CONTROL

SRC71ZK-S/C HEAT EXCH. AND CONTROL

Parts List

Key:
Instock.
Nilstock.
Contact MRE.

Check the parts position number [ ] matching with the drawing. Login to view prices.

[1-5] In Stock
RCR301A005
HEAT EXCH ASSY(AIR)
Notes: Condenser heat exchanger coil
[2] Contact
RCR315D004
HEADER ASSY,GAS
Contact
[3] Contact
RSA315A004B
DISTRIBUTOR¯¿½
Contact
[3-5] In Stock
RCR315A002
DISTRIBUTOR ASSY
RCR315A002
[4] In Stock
RCR315B012
CAPILLARY
Notes: !D2.6XD4.0 L300, !D2.6XD4.0 L300/ LENGTH 9CM Show Image
RCR315B012
[5] Contact
RCR315B013
CAPILLARY
Contact
Notes: !D2.6XD4.0 L500
[6] Out of Stock
SSA382C068
4 WAY VALVE
Notes: 20S, 20S - REVERSING VALVE BODY - (NOT COIL) Show Image
SSA382C068
[7] In Stock
RCR116A003
BRACKET(VALVE)
RCR116A003
[8] In Stock
RCR381A003B
VALVE,SERVICE(1/4")
Notes: LIQ., LIQUID LINE SERVICE VALVE - 1/4' - LIQ. Show Image
RCR381A003B
[9] In Stock
RCR381A004
VALVE,SERVICE(5/8)
Notes: GAS, 5/8" GAS (SUCTION)
[10] In Stock
SSA387F052
VALVE,BODY(EXP)
Notes: EEV, EEV‚  - Expansion Valve Body - Body only Show Image
SSA387F052
[10-12] In Stock
RCR304A008A
PIPING ASSY(EXPAN)
Notes: Includes Expansion Valve Body, 2x Strainer & Capillary
[11] In Stock
SSA357A005A
STRAINER
SSA357A005A
[12] In Stock
RCP315B002
CAPILLARY,SUB
Notes: !D2.6XD4.0 L300, !D2.6XD4.0 L300‚ / LENGTH 8.5CM Show Image
RCP315B002
[13] Out of Stock
PCA325A007
PIPE SHELL
[14] In Stock
AHT351A001
ACCUMULATOR
AHT351A001
[15] Contact
RPC154D903
INSULATION,COMP
Contact
Notes: COMP UPPER
[16] In Stock
RPC154D904
INSULATION,COMP
Notes: COMP BODY
[17] Contact
RCR154D005
INSULATION
Contact
[18] In Stock
RPC382F900
COIL ASSY, SOLENOID
Notes: FOR 20S, REVERSING VALVE SOLENOID COIL Show Image
RPC382F900
[19] In Stock
SSA382F210L
COIL,SOLENOID (EEV)
Notes: FOR EEV, SOLENOID COIL FOR EEV (ELECTRONIC EXPANSION VALVE)
[20] In Stock
AHT201C184DA
COMPRESSOR ASSY
Notes: RMT5118MDE2, ***COMPRESSORS CANNOT BE RETURNED*** (RMT5118MDE2)
[21] In Stock
SSA941C351A
CUSHION,RUBBER
Notes: For Compressor - Sold individually
[22] In Stock
SSA914C013A
NUT,FLANGE
Notes: 1pc Show Image
SSA914C013A
[23] In Stock
RSA932C004
GASKET
RSA932C004
[24] In Stock
RSA947K005
COVER TERMINAL
Notes: FOR COMPRESSOR Show Image
RSA947K005
[25] In Stock
SSA914C016
NUT
Notes: 1pc Show Image
SSA914C016
[26] In Stock
RPC142A902
BOX,CONTROL(A)
[27] In Stock
SSA561B665
BLOCK,TERMINAL
Notes: T1 Show Image
SSA561B665
[28] In Stock
SSA561B702B
BLOCK,TERMINAL
Notes: T2 Show Image
SSA561B702B
[29] In Stock
SSA564A136A
FUSE(CURRENT)
Notes: 20A, F 20A‚  - 20 amp fuse Show Image
SSA564A136A
[30] In Stock
SSA564B088
FUSE HOLDER
SSA564B088
[31] In Stock
RPC504A912A
WIRING ASSY
Notes: FOR COMP. Show Image
RPC504A912A
[32] In Stock
RCT505A005SC
PWB ASSY MAIN
Notes: PWB1, TOP BOARD - MAIN / INVERTER - PWB1 Show Image
RCT505A005SC
[33] In Stock
RCT505A004D
PWB ASSY(SUB)
Notes: PWB2, PWB2 SUB Show Image
RCT505A004D
[34] In Stock
SSA551A233
SENSOR ASSY
Notes: TH1,TH2,TH3, . INCLUDES ALL SENSORS ON OUTDOOR UNIT - TH1,TH2,TH3 Show Image
SSA551A233
[35] In Stock
SSA554D173
CORE,FERRITE
[36] Contact
RCR011G004
LABEL,WIRING
Contact
[37] In Stock
SSA554B113
REACTOR
SSA554B113
[38] Out of Stock
RKJ941F001
SPRING LEAF
Substitute: PSA941F001 Show Image
RKJ941F001
[39] In Stock
RCJ941F001
SPRING
Notes: LENGTH 2.5CM Show Image
RCJ941F001
[40] In Stock
RPC008A601
DRAIN KIT
Notes: ***CUSTOMER TO INFORM QUANTITY REQUIRED*** DRAIN KIT COMES WITH 1x ELBOW, 2x GROMMETS.
[41] In Stock
RPC008A601
DRAIN KIT
Notes: ***CUSTOMER TO INFORM QUANTITY REQUIRED*** DRAIN KIT COMES WITH 1x ELBOW, 2x GROMMETS.
[42] In Stock
SSA947A089
GROMMET
Notes: D20.1, SSA422A024 ELBOW Show Image
SSA947A089
[43] Contact
RCR011F005Z
LABEL,MODEL NAME
Contact
SKU: SRC71ZK-S/C HEAT EXCH. AND CONTROL Category:
0
    0
    Your Cart
    Your cart is empty
      Calculate Shipping