FDQSA45KXE5R CONTROL AND PARTS SET

FDQSA45KXE5R CONTROL AND PARTS SET

Parts List

Key:
Instock.
Nilstock.
Contact MRE.

Check the parts position number [ ] matching with the drawing. Login to view prices.

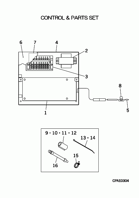
[1] Out of Stock
PJA505A158ZA
PWB
Notes: OUT OF PRODUCTION - INDOOR PC BOARD Show Image
PJA505A158ZA
[2] In Stock
SSA554A454
TRANSFORMER
Notes: TR Show Image
SSA554A454
[3] Contact
SSA561B716DG
BLOCK TERMI
Contact
Notes: TB
[4] Contact
PJC142A025
BOX ASSY,CONTROL
Contact
Notes: MHN 142A 012
[5] In Stock
PJA551A010N
SENSOR
Notes: THI-A, AMBIENT/RETURN AIR SENSOR. THI-A. KEEP OLD SENSOR - SOME SENSORS PLUG INTO EXTENSION LEAD. Show Image
PJA551A010N
[6] Contact
PJC142A024
LID ASSY,CONTROL B
Contact
Notes: MHN 116A 124
[7] Contact
PJC011G015
LABEL,WIRING
Contact
[8] Contact
E131W03
WIRE,CLAMP
Contact
[9] Contact
SSA153B022BM
INSULATON
Contact
[10] Contact
SSA153B028BM
INSULATON E
Contact
[11] In Stock
SSA153B016BA
INSULATION,PIPE¯¿½
SSA153B016BA
[12] Contact
SSA153B022AG
INSULATION,PIPE
Contact
[13] Contact
SSA937D015J
BAND
Contact
[14] Contact
SSA937D015A
BAND
Contact
[15] In Stock
V300Y38
CLAMP
Notes: CLAMP Show Image
V300Y38
[16] In Stock
PSA006A039
HOSE SET, DRAIN
[17] Contact
PJC011F030D
Contact
SKU: FDQSA45KXE5R CONTROL AND PARTS SET Category:
0
    0
    Your Cart
    Your cart is empty
      Calculate Shipping