Skip to content
info@mrespares.com.au
Phone:
+61 2 9600 7444
Register
Login
Shop Parts
Service Tools
Cart
info@mrespares.com.au
Phone:
+61 2 9600 7444
Register
Login
Shop Parts
Service Tools
Cart
Home
About
About MRE Spare Parts
Ordering Information
Terms of Trade
Privacy Policy
Delivery Policy
Returns
Feedback
Faq
Contact
Home
>
FDC208CEN3 CONTROL AND PARTS SET
PRINT
FDC208CEN3 CONTROL AND PARTS SET
FDC208CEN3 CONTROL AND PARTS SET
Parts List
Key:
Instock.
Nilstock.
Contact MRE.
Check the parts position number [ ] matching with the drawing.
Login
to view prices.
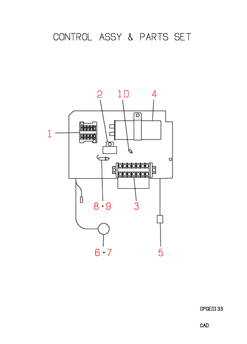
[1]
In Stock
SSA521A303B
CONTACTOR,E
Notes:
52C
Show Image
[1-10]
Contact
PCA501A099D
CONTROL UNT
Contact
Notes:
NOT AVAILABLE
[2]
In Stock
SSA552A260
CAPACITOR
Notes:
CFO 3.5MF 400VAC, CFO
Show Image
[3]
Contact
SSA561B626J
BLOCK,TERMI
Contact
Notes:
TB
[4]
In Stock
SSA552A128
CAPACITOR
Notes:
CC 50MF 370V
Show Image
[5]
Out of Stock
SSA531B113F
THERMOSTAT
Notes:
23TD
[6]
In Stock
ASA533B176
PROTECTOR
Notes:
51C
Show Image
[7]
Out of Stock
AHL941D003
SPRING(PROTECTOR)
[8]
In Stock
SSA564B059
HOLDER,FUSE
Show Image
[9]
In Stock
SSA564A072C
FUSE
Notes:
3.15A, 3.15 Amps
Show Image
[10]
In Stock
PCA552D001
KILLER NOIS
Notes:
NR
Show Image
[11-13]
Contact
PCA008A170Z
PARTS SET
Contact
[12]
Contact
PSC011G133B
LABEL,WIRIN
Contact
[13]
Contact
PSA011F863D
LABEL,MODEL
Contact
FDC208CEN3 CONTROL AND PARTS SET quantity
Add to cart
SKU:
FDC208CEN3 CONTROL AND PARTS SET
Category:
Uncategorised
Home
About
About MRE Spare Parts
Ordering Information
Terms of Trade
Privacy Policy
Delivery Policy
Returns
Feedback
Faq
Contact
Login
0
0
Your Cart
Your cart is empty
Calculate Shipping