Skip to content
info@mrespares.com.au
Phone:
+61 2 9600 7444
Register
Login
Shop Parts
Service Tools
Cart
info@mrespares.com.au
Phone:
+61 2 9600 7444
Register
Login
Shop Parts
Service Tools
Cart
Home
About
About MRE Spare Parts
Ordering Information
Terms of Trade
Privacy Policy
Delivery Policy
Returns
Feedback
Faq
Contact
Home
>
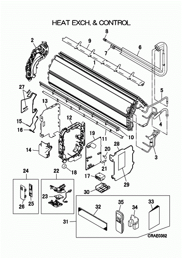
DXK12ZTLA-WF HEAT EXCH. AND CONTROL
PRINT
DXK12ZTLA-WF HEAT EXCH. AND CONTROL
DXK12ZTLA-WF HEAT EXCH. AND CONTROL
Parts List
Key:
Instock.
Nilstock.
Contact MRE.
Check the parts position number [ ] matching with the drawing.
Login
to view prices.
[1-5]
Out of Stock
RLH301A006
HEAT EXCH ASSY (AIR)
Notes:
DOES NOT INCLUDE GAS & LIQUID PIPE AND INSULATION. REFER TO UNIT DRAWING ON WEBSITE
[2]
In Stock
RLH129A028
BRACKET ASSY (L)
[3]
Contact
RLH315A001
DISTRIBUTOR ASSY
Contact
[4]
Contact
RLH315D001
HEADER ASSY
Contact
[5]
Contact
RLH321A026
PIPE
Contact
[6-8]
Contact
RLH321A001
PIPE ASSY
Contact
[7]
In Stock
SSA323F091
UNION(SLD)
Notes:
FOR GAS
[8]
Contact
SSA323F091A
UNION (SLD)
Contact
Notes:
FOR LIQ.
[9]
Contact
RLH129A006
PLATE, BAFFLE
Contact
[10]
Contact
RLH129A007
SEAL (A)
Contact
[11]
Contact
RLH129A008
SEAL (B)
Contact
[12]
In Stock
RLH142A002
BOX, CONTROL
[13]
Contact
RLH132A001
COVER, CONTROL
Contact
[14]
Contact
RLH129A016
COVER, BEND
Contact
[15]
In Stock
SSA551A223V
SENSOR ASSY
Notes:
INCL.SENSOR(ROOM TEMP.& HEAT EXCH.)
Show Image
[16]
In Stock
SSA551B017C
SENSOR(HUMIDITY)
Notes:
HUMIDITY SENSOR
Show Image
[17]
In Stock
SSA561B702B
BLOCK,TERMINAL
Notes:
T1, T2
Show Image
[18]
In Stock
SSA554D173
CORE,FERRITE
[19-21]
In Stock
RLF505A102LG
PWB ASSY
Notes:
Indoor Main PCB
Show Image
[20]
In Stock
SSA555B050C
VARISTOR
Notes:
Z, Z1
Show Image
[21]
In Stock
SSA564A132
FUSE(CURRENT)¯¿½
Notes:
F 3.15A, 3.15A
Show Image
[22]
In Stock
RLH503A001
DISPLAY ASSY
Notes:
Display / Receiver PWB including wiring harness
[23]
In Stock
RLH505A001
PWB ASSY (DISPLAY)
Show Image
[24]
In Stock
RLH503A003A
WF ASSY (SPARE)
[25]
In Stock
RLH505A002
PWB ASSY (WIFI)
Notes:
WIFI PWB. (NOT MAIN PWB). - does NOT include wiring harness. For wiring harness please order assembly RLH503A003A
Show Image
[27]
In Stock
PSA941F001
SPRING LEAF
Notes:
1pc ONLY
Show Image
[30]
In Stock
RLH129A019
COVER ASSY (TB)
Notes:
Cover for Terminal block
[32]
In Stock
RKT437A801D
FILTER,CLEAN(BIO)
Notes:
ALLERGEN FILTER
Show Image
[34]
In Stock
RLH032A002
HOLDER (REMO-CON)
Notes:
Holder for Remote Control
[35]
In Stock
RLH502A001
REMOTE CONTROL
Notes:
Holder = RLH032A002
DXK12ZTLA-WF HEAT EXCH. AND CONTROL quantity
Add to cart
SKU:
DXK12ZTLA-WF HEAT EXCH. AND CONTROL
Category:
Uncategorised
Home
About
About MRE Spare Parts
Ordering Information
Terms of Trade
Privacy Policy
Delivery Policy
Returns
Feedback
Faq
Contact
Login
0
0
Your Cart
Your cart is empty
Calculate Shipping